1
/
of
5
09 - 14 f150 C-Bar Grille Lights
09 - 14 f150 C-Bar Grille Lights
4.75 / 5.0
(4) 4 total reviews
Regular price
$75.00 USD
Regular price
Sale price
$75.00 USD
Unit price
/
per
Shipping calculated at checkout.
We have 47 in stock!(Can be backordered)
Couldn't load pickup availability
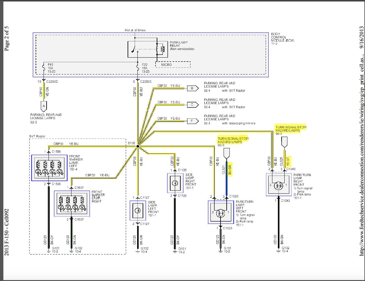
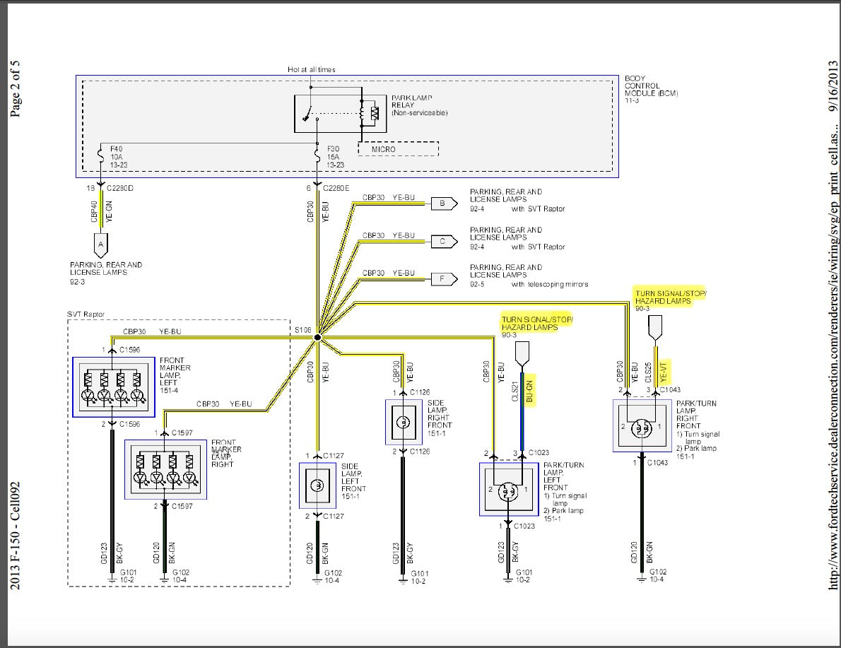
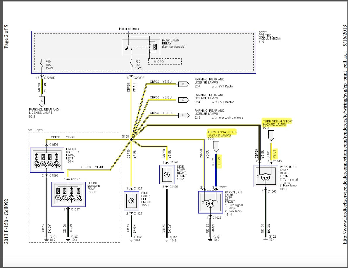
Included:
- 2 24” Sequential Switchback DRL Strips
- Mounting hardware (zip ties & double sided tape)
Features:
- Sequence upon startup
- Sequential Switchback function with signal
- *these can be used for other applications, they are flexible*
LIFETIME WARRANTY
BASED IN OHIO, USA
Share

D
David Moreno Martinez They definitely make my 2014 F-150 look more badass definitely would continue buying my lights from you guys.
J
Jesse Came in good condition
M
Michael Lamkin one of my lights had went from the normal color white to like a yellow and doesn’t change back they sent me new ones and were very good to work with amazing company
J
Jared I wish it came with some kind if instructions so i knew what was in the package and how to wire it up, but the quailty is good and just what i needed